Inverter Op Amp Circuit
Operational amplifiers op amp are linear devices that have all the properties required for nearly ideal dc amplification and are therefore used extensively in signal conditioning or filtering or to perform mathematical operations such as adding subtracting integration and differentiation.

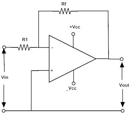
Inverter op amp circuit. In this inverting amplifier circuit the operational amplifier is connected with feedback to produce a closed loop operation. When dealing with operational amplifiers there are two very important rules to remember about inverting amplifiers these are. No current flows into the input terminal and that v1 always equals v2. However in real world op amp circuits both of these rules.
The inverting op amp circuit is the most commonly used configuration. We analyze the inverting configuration doing all the algebra from first principles. The op amp inverting amplifier circuit is very easy to design and can be implemented with a very limited number of additional components. In its simplest form the op amp inverting amplifier only requires the use of two additional resistors.
Inverting op amp is called inverting because the op amp changes the phase angle of the output signal exactly 180 degrees out of phase with respect to input signal. Same as like before we use two external resistors to create feedback circuit and make a closed loop circuit across the amplifier. The non inverting amplifier configuration is one of the most popular and widely used forms of operational amplifier circuit. The op amp non inverting amplifier circuit provides a high input impedance along with all the advantages gained from using an operational amplifier.
Wiring the op amp inverter circuit. Next we are going to show you how an inverter circuit is connected. Please read through the steps carefully and we will show you how the components look as you insert them into a circuit board. As the output is the same as the input why cant we replace this op amp circuit by a piece of wire.
As is very large the current into the op amp is negligible and.







































